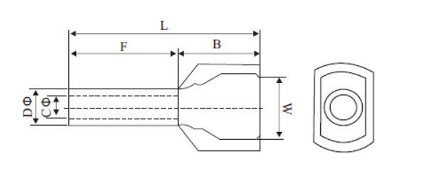
編 號 | Conductor | 尺寸Dimension | 顏 色 | |||||
F (mm) | L (mm) | W (mm) | B (mm) | D Φ | CΦ | |||
TE-0508 | 2×0.5 | 8.0 | 14.5 | 5.0 | 6.5 | 1.8 | 1.5 | 白色 White |
TE-7508 | 2×0.75 | 8.0 | 14.7 | 5.5 | 6.7 | 2.1 | 1.8 | 蘭色 Blue 灰色 Grey |
TE-7510 | 2×0.75 | 10.0 | 16.07 | 5.5 | 6.7 | 2.1 | 1.8 | |
TE-1008 | 2×1.0 | 8.0 | 15.1 | 5.5 | 7.1 | 2.3 | 2.0 | 紅色 Red |
TE-1010 | 2×1.0 | 10.0 | 17.1 | 5.5 | 7.1 | 2.3 | 2.0 | |
TE-1508 | 2×1.5 | 8.0 | 15.5 | 6.4 | 7.2 | 2.6 | 2.3 | 黑色 Black |
TE-1512 | 2×1.5 | 12.0 | 19.5 | 6.4 | 7.5 | 2.6 | 2.3 | |
TE-2510 | 2×2.5 | 10.0 | 18.5 | 8.0 | 8.5 | 3.3 | 2.9 | 灰色 Grey |
TE-2513 | 2×2.5 | 13.0 | 21.5 | 8.0 | 8.5 | 3.3 | 2.9 | 蘭色 Blue |
TE-4012 | 2×4.0 | 12.0 | 23.1 | 8.8 | 11.1 | 4.2 | 3.8 | 橙色 Oranage 灰色 Grey |
TE-6014 | 2×6.0 | 14.0 | 26.1 | 9.5 | 12.1 | 5.3 | 4.9 | 綠色 Green 黃色 Yellow |
TE-10-14 | 2×10.0 | 14.0 | 26.6 | 12.6 | 12.0 | 6.9 | 6.5 | 棕色 brown green 紅色 Red |
TE-16-14 | 2×16.0 | 14.0 | 31.3 | 19.0 | 17.3 | 8.7 | 8.3 | 乳白 Milky white 蘭色 White |

E-mail:[email protected]